Hitsattava sarana M16
tuote ei saatavilla
lisää toivelistalle
Kuvaus
Säädettävä teräsarainen M16 hitsaukseen – siipiovet
Säädettävä teräsarainen M16 hitsaukseen — kestävä kiinnitysosa siipioviin. Sinkkipinnoitettu rakenne mustaksi viimeisteltyineen terässilmukoineen tarjoaa korroosionkestävyyden ja esteettisen ulkonäön, ja sisäänrakennettu säätömekanismi mahdollistaa oven siiven tarkan asettamisen ilman purkamista.

Sarainen on suunniteltu raskaaseen käyttöön ulkotiloissa. Sinkkipinnoite suojaa tehokkaasti kosteudelta, sateelta ja lämpötilanvaihteluilta, minimoiden huoltotarpeen. Säätömutterin avulla oven siiven asentoa voidaan korjata milloin tahansa — esimerkiksi painumisen tai lämpölaajenemisen jälkeen. Tämä ratkaisu säästää aikaa huollossa ja poistaa kalliit korjaustarpeet.
M16-sarainpari kannattelee oven siipeä, jonka pituus on enintään 2 metriä ja paino enintään 65 kg, mikä tekee siitä monipuolisen valinnan ajoporttien, puutarhaporttien ja maatalousporttien asennukseen.
Tekniset tiedot
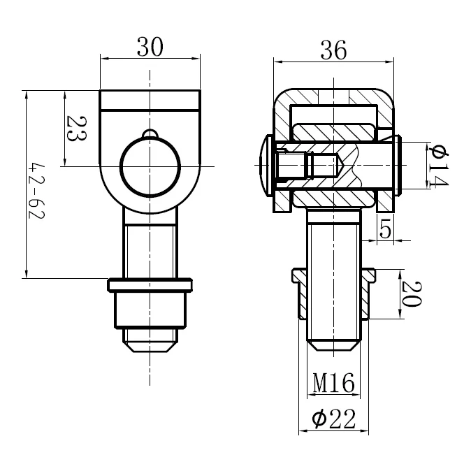
- Materiaali: teräs
- Korroosionsuojaus: sinkitys (silmukka mustalla viimeistelyllä)
- Pultin halkaisija: M16
- Tappin ulkohalkaisija: ø22 mm
- Silmukan reiän halkaisija: ø14 mm
- Pultin pituus: 40 mm
- Silmukan leveys: 36 mm
- Silmukan korkeus: 23 mm
- Kannan leveys: 30 mm
- Kokonaispituus: 78 mm (säädettävissä välillä 42–62 mm)
- Sarainparin sallittu kuorma (siipeen asti 2 m): 65 kg
- Paino: 0,3 kg
Tekninen piirustus mitoilla

Asennus tapahtuu hitsaamalla tappi portin tai pylvään teräsrakenteeseen. Matta mustapintainen silmukka helpottaa tarkkaa paikoitusta asennuksen aikana. Asennuksen jälkeen oven siiven korkeutta ja tasoa voidaan säätää milloin tahansa — riittää säätömutterin kääntäminen ilman koko saraimen purkamista.
Säädettävä sarainen M16 on luotettava ratkaisu siipiovien ammattimaiseen asennukseen — se yhdistää rakenteen kestävyyden, asennuksen helppouden ja käytännöllisen säädettävyyden yhdessä kompaktissa osassa.
Ładowanie tabeli porównawczej...
Ładowanie galerii...
Tekniset tiedot
| Säätö | Ei |
| Materiaali | Teräs |
| Kierretyyppi | M16 |
| Halkaisija | 12 |
| Sposób montażu | Hitsattava |
Turvallisuus
Kaikki arvostelut (positiiviset ja negatiiviset) näytetään alustan numerorajoituksen mukaisesti. Varmistamme, että ne ovat peräisin asiakkailta, jotka ovat ostaneet tuotteen. Katso lisää kommenttikäytännöt -sivultamme.