Juoksukärry 70 ripustusportille 2 teräsrullaa ja 1 muovirulla - kapea jalusta
tuote ei saatavilla
lisää toivelistalle
Kuvaus
Ajovaunu 70 ripustettuun porttiin – 2 teräsrullaa + 1 muovirulla
Ajovaunu 70 on kestävä ja tarkasti valmistettu osa liukuporttijärjestelmiin, joka on suunniteltu yhteensopivaksi 70×70 mm kiskojen kanssa. Vaunu on varustettu kahdella teräsrullalla sekä yhdellä muovirullalla, jotka takaavat ripustetun portin sujuvan ja hiljaisen liukumisen — ilman liiallista kitkaa tai vastusta. Kapea asennusalusta helpottaa asennusta myös ahtaissa tiloissa.

Rakenne ja materiaalit
Vaunun runko on valmistettu teräksestä, joka on pinnoitettu sinkkipinnoitteella suojaamaan tehokkaasti korroosiolta. Tämän ansiosta vaunu soveltuu käytettäväksi sekä sisätiloissa että ulkona — olosuhteissa, joissa se altistuu kosteudelle ja vaihteleville sääolosuhteille. Rullat on asennettu kuulalaakereihin, mikä takaa pitkäkestoisen, häiriöttömän käytön ja minimaalisen vierintävastuksen.
Kahden teräsrullan (kantavien) ja yhden muovirullan (ohjaavan) yhdistelmä minimoi mekanismin käyttöäänen ja vähentää kitkaa, parantaen portin käyttömukavuutta. Tämä ratkaisu toimii erityisen hyvin kaupallisissa tiloissa ja halleissa, joissa hiljainen toiminta on tärkeää.

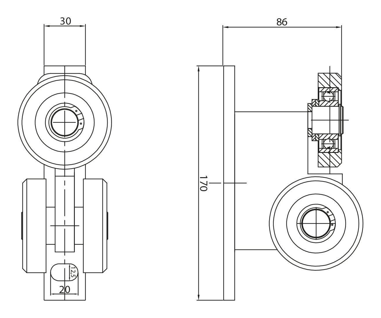
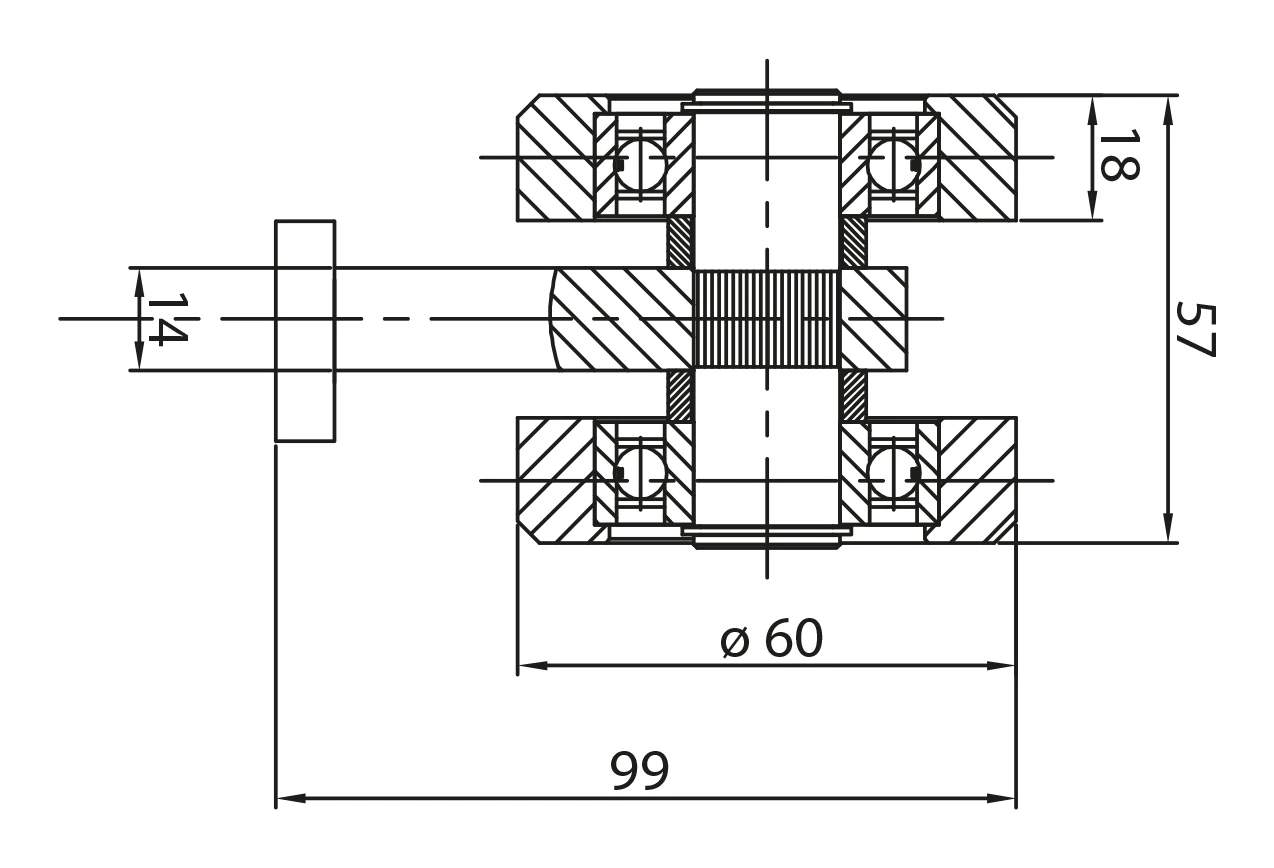
Mitat ja tekniset tiedot
- Kiskojärjestelmä: 70×70 mm
- Asennuslevyn korkeus (L): 170 mm
- Ulottuma levystä ylärullan ulkoreunaan: 86 mm
- Kokonaiskorkeus (H): 99 mm
- Ylärullan kannattimen leveys: 30 mm
- Soikea reikä alustassa: 20 × 12,5 mm
- Alarullan (kantavan) halkaisija: ø 60 mm
- Kahden alarullan kokonaisleveys: 57 mm
- Yksittäisen alarullan leveys: 18 mm
- Asennuslevyn paksuus: 14 mm
- Paino: 1,88 kg
- Rullat: 2 teräsrullaa + 1 muovirulla
- Laakerit: kuulalaakerit
- Korroosiosuojaus: sinkitys
- EAN: 5901289670036

Hyödyt asentajalle
- Kapea asennusalusta soikeilla rei'illä mahdollistaa tarkan säädön ja varman kiinnityksen
- Sinkattu pinta poistaa tarpeen lisäkorroosiosuojaukselle — valmis asennettavaksi heti
- Hiljainen toiminta teräs- ja muovirullien yhdistelmän ansiosta — vähemmän reklamaatioita loppukäyttäjiltä
- Kuulalaakerit takaavat alhaisen vierintävastuksen ja pitkän käyttöiän ilman tiheää huoltoa
- Monipuolinen käyttö — sisä- ja ulkotiloissa, teollisuushalleissa, varastoissa ja talousrakennuksissa
Ładowanie tabeli porównawczej...
Ładowanie galerii...
Tekniset tiedot
| Rullien määrä [szt.] | 3 |
| Vaunun rakenne | Kiinteä |
| Liukukiskon koko | 70x70x4 |
| Tuotetyyppi | Yksittäinen vaunu |
| Rullien materiaali | Teräs |
| Ajojärjestelmän tyyppi | Ripustusjärjestelmä |
Turvallisuus
Kaikki arvostelut (positiiviset ja negatiiviset) näytetään alustan numerorajoituksen mukaisesti. Varmistamme, että ne ovat peräisin asiakkailta, jotka ovat ostaneet tuotteen. Katso lisää kommenttikäytännöt -sivultamme.