kassalle yhteensä: 0,00 €

Keskimmäinen Puristin H8 Alumiini 6060 Reikä M8

Saatavuus: Varastossa (suuri määrä)
Toimitus: 8 Työpäivä
Paino: 0.025 kg
Hinta/ kpl: 0,25 € 0.25
sis. 25.5% ALV, ilman toimituskuluja
Nettohinta/ kpl: (0,20 €)
ilman 25.5% ALV, ilman toimituskuluja

discount mark
Säästä enemmän rahaa suuremmilla pakkauksilla!
Mitä suurempi pakkausyksikkö, sitä alhaisempi yksikköhinta!
discount tip




määrä kpl

tuote ei saatavilla

lisää toivelistalle
* - Kenttä pakollinen
Visa Mastercard Google Pay Apple Pay PayPal Bank Transfer
Arvostelu: 0
Myyjä: Synerga
Tuotekoodi: PV-04-03

Kuvaus

Keskimmäinen Puristin H8 Alumiini 6060 Reikä M8

Saatavilla olevat koot
Saatavilla olevat materiaalit

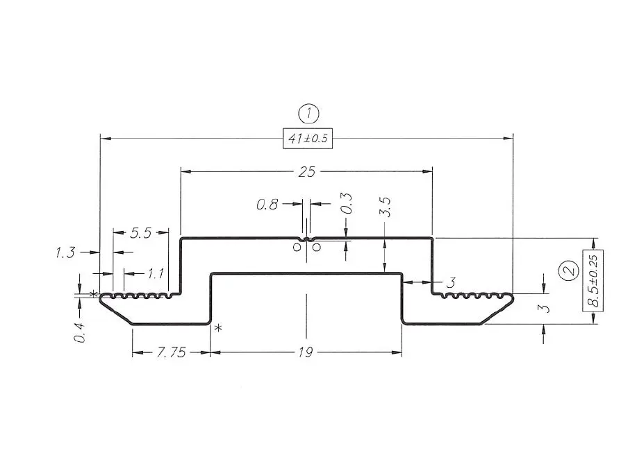
Keskimmäinen kiinnitin alumiinista 6060, 8mm, M8-ruuvin reikä aurinkosähkömoduuleille.

Painekiinnike tai keskikiinnike on aurinkosähköasennusten kiinnitysosa, jota käytetään aurinkosähköpaneelin kiinnittämiseen alumiiniseen rakenneprofiiliin. Sitä käytetään aurinkosähköpaneelien kiinnittämiseen sekä tasakatoille että harjakatoille.

Valmistettu korkealaatuisesta 6060-alumiinista, joten se on erittäin säänkestävä. Laadukas työstö takaa aurinkosähköpaneelirakenteen pysyvän kiinnityksen.

Esteettisistä syistä tarjotut kiinnittimet ovat saatavana myös mustaksi anodisoituna versiona. Anodisointi parantaa myös komponentin kestävyyttä lisäämällä sen kestävyyttä ympäristöolosuhteita vastaan.

Tästä kiinnittimestä on rajallinen hyöty. H8-keskiliittimen DIN 912 -ruuvi on 15 mm pidempi kuin suunnittelussa valitun liittimen ruuvi lukuun ottamatta liittimiä H-35 ja H-40, näille liittimille on valittava H24-keskiliitin.

Tämä kiinnitin on yleispätevä. Ruuvikokoja koskevia tietoja saat Klikkaa tästä - Puristimen tiedot - Pulttien kokotaulukko (DIN 912).

Painekiristin on yhteensopiva seuraavien asennusprofiilien kanssa:

  • Alumiiniprofiilit kuusiokoloruuveille.
  • Alumiiniprofiilit T-ruuveille.
  • Puolisuunnikkaat profiilit puolisuunnikkaasta peltilevystä valmistetuille katoille.

Tekniset tiedot

  • Materiaali: Alumiini 6060
  • Asennusprofiili: M8 ruuvinreikä
  • Pituus: 50mm

Saatavilla olevat materiaalit

Materiaali
 
ALU
next arrow image
 
Alumiini anodisoitu
next arrow image
 

Ominaisuudet Alumiini 6060

  • Kestää korroosiota ja ulkoisia vaikutuksia.
  • Hyvä mekaaninen kestävyys, iskunkestävä.
  • Soveltuu anodisointiin, joka antaa lisäsuojaa ja koristeellisen viimeistelyn.

Tekniset tiedot

Puristintyyppi Keski
Paneelin paksuus [mm] 30-45
Väri Hopea
Maadoitustappi Ei
Lisävarusteet Ei lisävarusteita

Turvallisuus

Kaikki arvostelut (positiiviset ja negatiiviset) näytetään alustan numerorajoituksen mukaisesti. Varmistamme, että ne ovat peräisin asiakkailta, jotka ovat ostaneet tuotteen. Katso lisää kommenttikäytännöt -sivultamme.

Liittyvät tuotteet

ylös
×

VAT ID not verified in VIES!

Näytä sivuston täysversio
Sklep internetowy Shoper.pl