Liukuportin ajovaunu 80 5 teräsrullalla säädettävä
tuote ei saatavilla
lisää toivelistalle
Kuvaus
5-rullinen liukukärryt liukuportille – teräksinen, 550 kg
5-rullinen liukukärryt itsekannatteleviin liukuportteihin — kestävä ajoelement, joka on suunniteltu suurimassaisille porteille. Heilurirakenne mahdollistaa kärryn automaattisen mukautumisen kiskoon, mikä eliminoi epätasaisesta alustasta aiheutuvat jännitykset ja takaa portille sujuvan, häiriöttömän toiminnan vuosikausiksi.

Rakenne ja toimintaperiaate
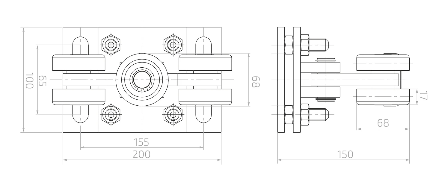
Kärryssä on 5 teräsrullaa — neljä pystysuuntaista kantorullaa sekä yksi vaakasuuntainen ohjausrulla. Tämä järjestely tarjoaa vakaan tuen portinkiskolle sekä alta että sivulta, mikä takaa hiljaisen käynnin ja minimaalisen kulumisen. Kärryn runko on yhdistetty pohjalevyyn heiluritapilla, jolloin koko rullakokonaisuus voi kallistua ja kompensoida mahdolliset asennuspoikkeamat. Korkeudensäätö tapahtuu vastamuttereilla kiristettyjen ruuvien avulla — tämä mahdollistaa kiskon tarkan vaaitsemisen porttipylväisiin nähden ilman välikappaleiden käyttöä.
Kärryt on tarkoitettu 80 × 80 × 5 mm profiilikiskolle ja kestää kuormituksen 550 kg asti, mikä tekee siitä sopivan ratkaisun keski- ja suurikokoisille porteille — niin asuinkiinteistöissä kuin teollisuusalueillakin.

Mitat ja tekniset tiedot
- Maksimikuorma: 550 kg
- Rullien lukumäärä: 5 (4 pystysuuntaista kantorullaa + 1 vaakasuuntainen ohjausrulla)
- Rullien materiaali: teräs
- Pintakäsittely: sinkitys
- Kisko: profiili 80 × 80 × 5 mm
- Pohjalevyn mitat: 200 × 100 mm
- Kiinnitysreikien jako (pituussuunta): 155 mm
- Kiinnitysreikien jako (poikittaissuunta): 65 mm
- Rullan halkaisija: 68 mm
- Rullan leveys: 17 mm
- Rullaston leveys: 68 mm
- Kärryn kokonaiskorkeus: 150 mm
- Paino: 5,5 kg
- EAN: 5901289674652
Edut asentajalle
- Heilurirakenne kompensoi asennusepätarkkuudet ja alustan epätasaisuudet
- Korkeudensäätö ruuveilla — nopea ja tarkka kiskon vaaitus
- Kiinnityslevyn pitkänomaisten reikien ansiosta kärryn sijaintia voidaan korjata ankkuroinnin jälkeen
- Sinkkipinnoite takaa korroosionkestävyyden ulkokäytössä
- Laakeroidut teräsrullat takaavat pitkän käyttöiän ja hiljaisen toiminnan
Ładowanie tabeli porównawczej...
Ładowanie galerii...
Tekniset tiedot
| Liukukiskon koko | 80x80x5 |
| Tuotetyyppi | Yksittäinen vaunu |
| Rullien materiaali | Teräs |
| Rullien määrä [szt.] | 5 |
| Vaunun rakenne | Kääntyvä |
| Maks. kantokyky [kg] | 550 |
| Ajojärjestelmän tyyppi | Rullakulkujärjestelmä |
Turvallisuus
Kaikki arvostelut (positiiviset ja negatiiviset) näytetään alustan numerorajoituksen mukaisesti. Varmistamme, että ne ovat peräisin asiakkailta, jotka ovat ostaneet tuotteen. Katso lisää kommenttikäytännöt -sivultamme.