Liukuportin keinuva juoksukärry 70 5 muovirullalla
tuote ei saatavilla
lisää toivelistalle
Kuvaus
Liukukärryn pyörästö 70 heiluva 5-rullinen liukuportteihin
Liukukärryn pyörästö 70 on kestävä, 5-rullinen ajoelement, joka on suunniteltu itsekannatteleviin liukuportaisiin. Heiluva rakenne tapilla mahdollistaa automaattisen mukautumisen johdekiskoon, mikä poistaa jännitykset ja takaa portin sujuvan toiminnan myös suurilla kuormilla – ihanteellinen ratkaisu asentajille, jotka etsivät luotettavia komponentteja porttijärjestelmiin.

Rakenteelliset ominaisuudet
- Rullien lukumäärä: 5 (joista 1 vaakasuuntainen rulla vakauttaa)
- Rullien materiaali: muovi kuulalaakereilla
- Rakenne: heiluva – kärryn pyörästö on yhdistetty jalustaan tapilla ja mukautuu automaattisesti porttiin
- Korkeuden säätö: säätöruuvien avulla
- Pintakäsittely: galvanoitu sinkki – korroosiosuoja
- Yhteensopivuus kiskoon: 70×70×4 mm
- Maksimikuorma: 400 kg
Muovirullien ansiosta kärryn pyörästö toimii hiljaisesti ja sujuvasti, mikä on erityisen tärkeää asuinrakennusten ja toimistojen yhteydessä olevissa asennuksissa. Kuulalaakerit jokaisessa rullassa takaavat pitkän käyttöiän ja minimaalisen vierintävastuksen, mikä vähentää portin käyttömoottorin kuormitusta.

Mitat ja tekniset tiedot
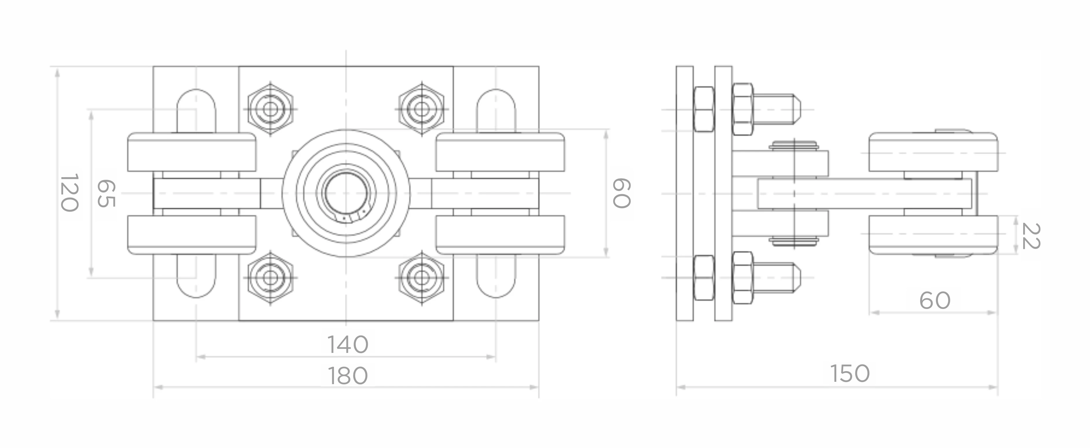
- Jalustan mitat: 180 × 120 mm
- Kiinnitysreikien jako: 140 × 65 mm
- Kokonaiskorkeus (H): 150 mm
- Syvyys: 150 mm
- Rullien leveys: 60 mm
- Kiinnitysjalustan paksuus: 22 mm
- Paino: 5,04 kg
- Tilavuus: 5093,63 cm³
- EAN: 5901289674553
Heiluva kärryn pyörästö on itsekannattelevien liukuporttijärjestelmien keskeinen komponentti. Kiinnitys perustukseen tapahtuu pulteilla ja muttereilla jalustan soikeiden reikien kautta, jotka mahdollistavat kärryn tarkan asennon säädön kiskoon nähden. Korkeuden säätö mahdollistaa portin täydellisen vaakasuoristuksen asennuksen jälkeen.
Ładowanie tabeli porównawczej...
Ładowanie galerii...
Tekniset tiedot
| Vaunun rakenne | Kääntyvä |
| Maks. kantokyky [kg] | 400 |
| Liukukiskon koko | 70x70x4 |
| Tuotetyyppi | Yksittäinen vaunu |
| Rullien materiaali | Muovi |
| Rullien määrä [szt.] | 5 |
| Ajojärjestelmän tyyppi | Rullakulkujärjestelmä |
Turvallisuus
Kaikki arvostelut (positiiviset ja negatiiviset) näytetään alustan numerorajoituksen mukaisesti. Varmistamme, että ne ovat peräisin asiakkailta, jotka ovat ostaneet tuotteen. Katso lisää kommenttikäytännöt -sivultamme.