PINOX – kulmakaiteiden pylväs Ø 42,4 mm h981 mm ruostumaton teräs AISI 304 satiini
tuote ei saatavilla
lisää toivelistalle
0
Kuvaus
PINOX – kulmakaiteiden pylväs Ø 42,4 mm h981 mm ruostumaton teräs AISI 304 satiini

PINOX-kulmapylväs on ammattitasoinen kaiteiden rakennekomponentti, joka on suunniteltu lattia-asennukseen. Ruostumattomasta teräksestä AISI 304 valmistettu satiinipinnalla, tarjoaa korkean korroosionkestävyyden ja elegantin ulkonäön, joka soveltuu sekä sisä- että ulkotiloihin.
Pylväs on varustettu 4 tarkasti kierteitetyllä M8-reiällä sijoitettuina kahteen pariin 90° kulmassa, mikä mahdollistaa vakaan kiinnityksen kaideputkien tai kaidetäyttöjen kannakkeille. Hitsattu asennusalusta halkaisijaltaan Ø100 mm kolmella soikealla reiällä varmistaa luotettavan ja kestävän kiinnityksen alustaan. Pylväs on yhteensopiva standardin 42,4 mm kaidejärjestelmän kanssa.
Tekninen spesifikaatio
- Tyyppi: kulma-, aseistamaton
- Materiaali: ruostumaton teräs AISI 304
- Pintakäsittely: satiini
- Putken halkaisija: Ø42,4 mm
- Putken seinämäpaksuus: 2 mm
- Kokonaiskorkeus: 981 mm
- Asennusreiät: 4 kpl kierteellä M8 (2 paria, 2 reikää 90° kulmassa)
- Reikäparien pystysuuntainen väli: 610 mm
- Ylemmän parin etäisyys huipusta: 121 mm
- Alemman parin etäisyys alustasta: 250 mm
- Kiinnitys: lattiaan
- Paino: 2,1 kg
- EAN: 5903313205498
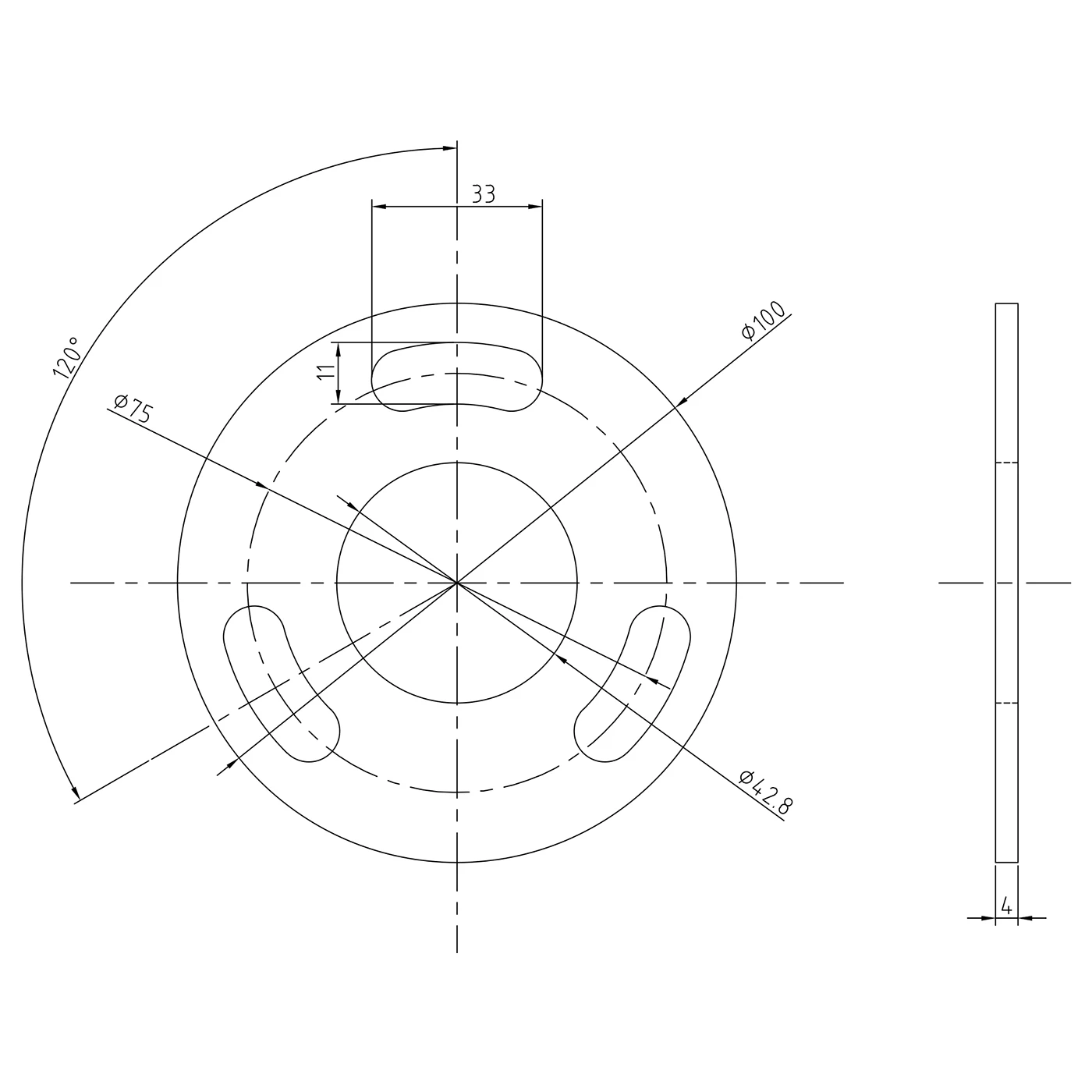
Asennusalustan (laipan) mitat

- Alustan ulkohalkaisija: Ø100 mm
- Keskusreiän halkaisija: Ø42,8 mm
- Alustan paksuus: 4 mm
- Asennusreiät: 3 soikea reikää (33 × 11 mm) jakoympyrällä Ø75 mm, sijoitettuna 120° välein
Pylvään mitat — tekninen piirros

Piirros esittää M8-kierrereikien sijoittelun pylväässä sekä keskeiset pystysuuntaiset mitat. Reiät on sijoitettu kahteen pariin — ylempi pari sijaitsee 121 mm huipusta, alempi 250 mm alustasta, parien välinen etäisyys on 610 mm. Putki mitoiltaan Ø42,4 × 2 mm on hitsattu Ø100 mm alustaan.

Käyttö ja hoito
PINOX-kulmapylväs on tarkoitettu ensisijaisesti sisäkäyttöön — porraskäytäviin, välikerroksiin, gallerioihin tai kaupallisiin rakennuksiin. Voidaan käyttää myös ulkona asianmukaisella säännöllisellä huollolla. Ei suositella asennusta uima-altaiden, uimahallien välittömään läheisyyteen tai merituulen voimakkaalle vaikutukselle alttiille alueille.
Soikeat reiät alustassa helpottavat pylvään tarkkaa vaakasuuntausta asennuksen aikana, ja hitsattu laippa poistaa tarpeen lisäadaptereille — riittää ruuvata suoraan alustaan. Tämän ansiosta asennusaika on merkittävästi lyhyempi, mikä johtaa asennusryhmän korkeampaan työtehokkuuteen.
Tekniset tiedot
| Materiaali | AISI 304 |
| Pintakäsittely | Satiini |
| Asennusjärjestelmä | 42,4 mm |
Turvallisuus
Kaikki arvostelut (positiiviset ja negatiiviset) näytetään alustan numerorajoituksen mukaisesti. Varmistamme, että ne ovat peräisin asiakkailta, jotka ovat ostaneet tuotteen. Katso lisää kommenttikäytännöt -sivultamme.