Paketti 5-rullaisista juoksuvaunuista itsekannatteleviin liukuportteihin lisätarvikkeineen
tuote ei saatavilla
lisää toivelistalle
Kuvaus
Liukuportaiden itsekannattelevien vaunupaketti lisävarusteineen
Täydellinen ja edullinen liukuportaiden vaunupaketti lisävarusteineen, joka on suunniteltu itsekannatteleville liukuporteille. Paketti sisältää kaikki tarvittavat osat portin ammattimaiseen asennukseen — ajovaunut, ajorollan suojakannella sekä ajopidikkeen kumivaimentimella. Valmis ratkaisu, joka lyhentää varusteiden keräilyaikaa ja tehostaa asennustilausten toteutusta.

Paketin sisältö
- Ajovaunu 5 metallirollalla — 2 kpl
- Ajorollo suojakannella — 1 kpl
- Teräksinen ajopidike kumivaimentimella — 1 kpl
- Asennusruuvit mukana
Paketin yleiset tiedot
- Paketin paino: 12,24 kg
- Pakkauksen tilavuus: 10 500 cm³
- EAN: 5901289674720
Ajovaunu — rakenne ja toiminta

Ajovaunu on varustettu 5 metallirollalla, joista 1 on vaakarollo, ja ne takaavat portin vakaan ohjauksen kiskolla. Heilurirakenne — vaunu on yhdistetty alustaan tapilla, jolloin se mukautuu automaattisesti liukuporttiin kompensoiden kiskon mahdolliset epätasaisuudet ja poikkeamat. Vaunun korkeus on säädettävissä ruuveilla, mikä helpottaa portin tarkkaa asettamista asennuksen aikana.
- Rollojen lukumäärä: 5 (joista 1 vaakarollo)
- Rakenne: heiluri (tappi yhdistää alustaan)
- Korkeuden säätö: ruuvilla
- Yhteensopiva kisko: 70×70×4 mm
- Korroosiosuojaus: galvaaninen sinkitys

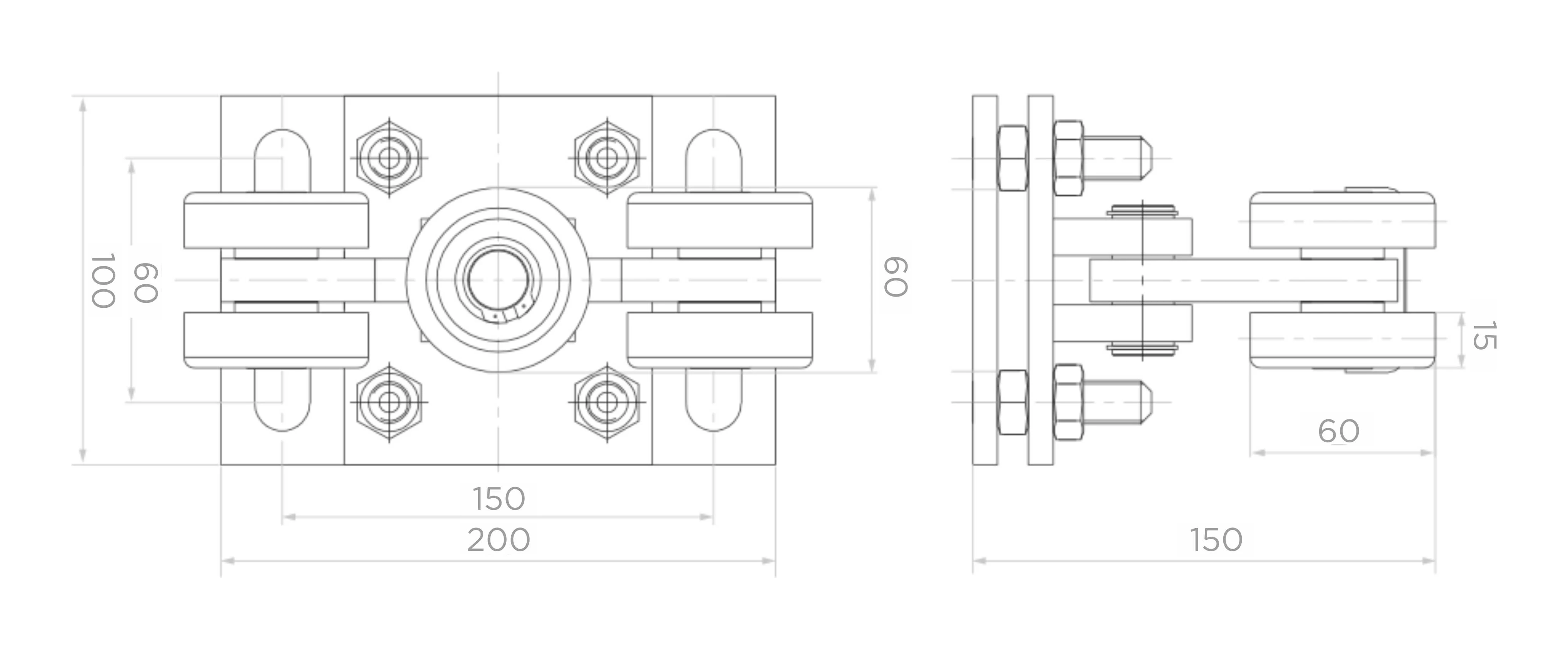
Ajavaunun mitat
- Alustan mitat (pit. × lev.): 200 × 100 mm
- Asennusreikien jako: 150 × 60 mm
- Kokonaiskorkeus: 150 mm
- Rollojen korkeus alustasta: 60 mm
- Asennusalustan paksuus: 15 mm
Ajorollo suojakannella
Teräksinen ajorollo, joka asennetaan itsekannattelevaan liukuporttikiskoon sen alkupäähän. Se on varustettu suojakannella, joka estää lumen, jään ja lian pääsyn kiskon sisälle — mikä on erityisen tärkeää vaikeissa sääolosuhteissa käytettävissä asennuksissa. Pakettiin sisältyvät asennusruuvit.
- Materiaali: teräs
- Yhteensopiva kisko: 70×70×4 mm
- Suojakannella: kyllä (suojaus lumelta ja jäältä)
- Asennusruuvit: mukana
- Korroosiosuojaus: galvaaninen sinkitys
Teräksinen ajopidike
Ajopidike kiinnitetään porttipylvääseen, johon ajorollo ajaa porttia suljettaessa. Tämän ratkaisun ansiosta portin paino jakautuu useammalle elementille, mikä vakauttaa portin suljetussa asennossa ja pidentää merkittävästi ajavaunujen käyttöikää. Takalevyssä on 2 asennusreikää sekä kuminen vaimentaja iskujen vaimentamiseksi.
- Materiaali: teräs
- Yhteensopivat kiskot: 70×70×4 mm ja 80×80×5 mm
- Asennusreiät: 2 kpl (takalevyssä)
- Vaimentaja: kuminen
- Korroosiosuojaus: galvaaninen sinkitys
Vaunujen akselivälin valinta
Oikea ajavaunujen akseliväli (LW) riippuu portin vapaasta leveydestä (L) sekä portin painosta (P). Alla oleva taulukko esittää suositellut vaunujen akselivälit metreinä, jotka takaavat järjestelmän optimaalisen toiminnan ja kestävyyden:

- Portin paino 200 kg: akseliväli 1,00 m (L=3,0 m) – 1,65 m (L=5,0 m)
- Portin paino 225 kg: akseliväli 1,10 m (L=3,0 m) – 1,90 m (L=5,0 m)
- Portin paino 250 kg: akseliväli 1,30 m (L=3,0 m) – 2,10 m (L=5,0 m)
- Portin paino 275 kg: akseliväli 1,40 m (L=3,0 m) – 2,30 m (L=5,0 m)
- Portin paino 300 kg: akseliväli 1,60 m (L=3,0 m) – 2,50 m (L=5,0 m)
Taulukossa käsitellyt portin vapaat leveydet: 3,0 m, 3,5 m, 4,0 m, 4,5 m ja 5,0 m.
Kaikki paketin osat ovat galvaanisesti sinkkipinnoitettuja, mikä takaa tehokkaan korroosiosuojauksen ja pitkäaikaisen käytön sekä sisäasennuksissa että vaihtelevissa sääolosuhteissa. Täydellinen paketti mahdollistaa asennusyritykselle kaikkien varusteiden tilaamisen yhdellä tuotenumerolla — ilman riskiä jonkin komponentin unohtamisesta.
Ładowanie tabeli porównawczej...
Ładowanie galerii...
Tekniset tiedot
| Vaunun rakenne | Kääntyvä |
| Maks. kantokyky [kg] | 350 |
| Liukukiskon koko | 70x70x4 |
| Tuotetyyppi | Paketti / KIT lisätarvikkeilla |
| Rullien materiaali | Teräs |
| Rullien määrä [szt.] | 5 |
| Ajojärjestelmän tyyppi | Rullakulkujärjestelmä |
Turvallisuus
Kaikki arvostelut (positiiviset ja negatiiviset) näytetään alustan numerorajoituksen mukaisesti. Varmistamme, että ne ovat peräisin asiakkailta, jotka ovat ostaneet tuotteen. Katso lisää kommenttikäytännöt -sivultamme.