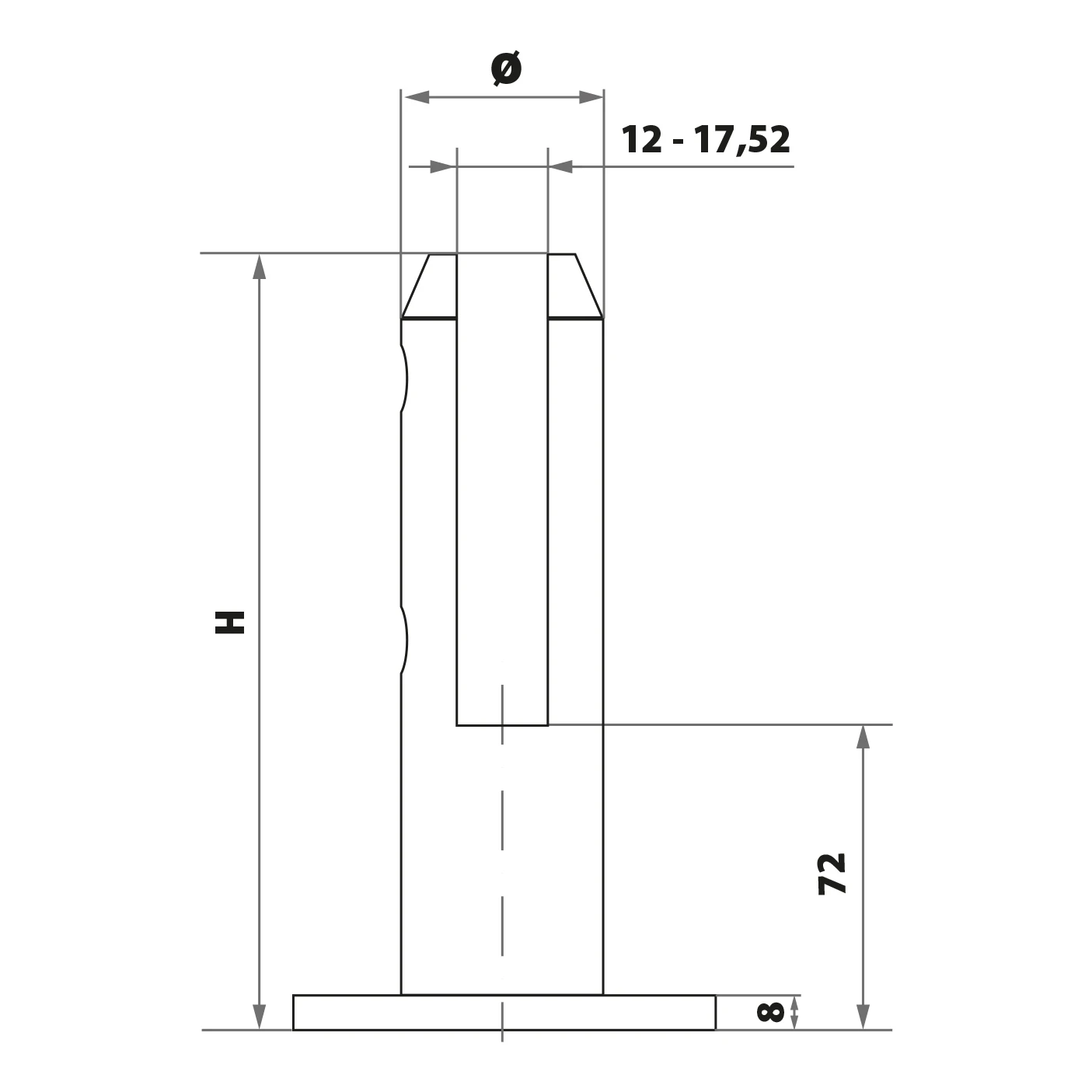
Pystysuuntainen lasikiinnike 12-17,52 mm spigot fi 48 mm H=182 mm AISI 304 satiini
tuote ei saatavilla
lisää toivelistalle
Kuvaus
Pyöreä lasikiinnike spigot ø48 mm ruostumaton teräs AISI 304 harjattu
Pystysuuntainen lasikiinnike spigot-tyyppiä pyöreällä jalustalla — luotettava elementti kaidejärjestelmien ja lasipaneelien kiinnittämiseen. Valmistettu AISI 304 -ruostumattomasta teräksestä harjatulla pintakäsittelyllä, mikä takaa kestävyyden ja korroosionkestävyyden sekä sisä- että ulkotiloissa. Kiinnike asennetaan suoraan alustaan ruuveilla ja vastaa koko lasirakenteen vakaudesta ja turvallisuudesta.

Tuotteen tärkeimmät ominaisuudet
- Materiaali: AISI 304 -ruostumaton teräs — korkea korroosionkestävyys
- Pintakäsittely: harjattu — esteettinen, mattapintainen ulkonäkö
- Yhteensopivuus lasin paksuuden kanssa: 12–17,52 mm
- Kokonaiskorkeus (H): 182 mm
- Rungon halkaisija: ø48 mm
- Asennustapa: ruuvikiinnitys alustaan (suositellaan DIN 7991 -ruuveja M8-kierteellä)
- Sisältää: koristelevyn, joka peittää kiinnityksen
- Paino: 1,2 kg

Rakenne ja asennus
Kiinnikkeen yläosassa on halkaistu varsi kahdella puristusleulla, joiden väliin lasilevy asetetaan. Uran sisälle on sijoitettu kumitiivisteet, jotka pitävät lasin tukevasti paikallaan ja suojaavat sitä naarmuilta. Tämän ansiosta rakenne siirtää kuormat tehokkaasti ja takaa turvallisen käytön.
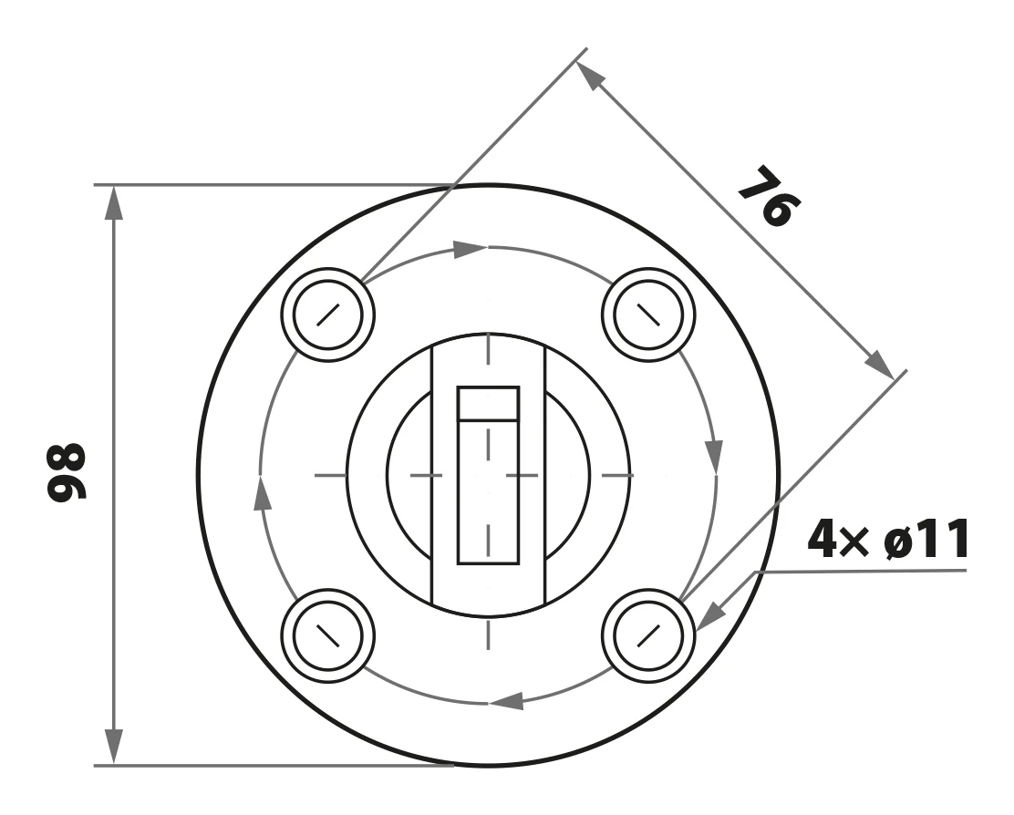
Pyöreässä asennusjalustassa on 4 asennusreikää, halkaisija ø11 mm, jotka on sijoitettu 76 mm:n jakoympyrän kehälle. Tämä mahdollistaa tukevat ja symmetriset ruuvikiinnitykset alustaan. Pakkaukseen kuuluva koristelevy peittää ruuvien kannat, antaen siistin ja viimeistellyn ulkonäön.
Mitat ja tekniset tiedot


- Kokonaiskorkeus (H): 182 mm
- Rungon halkaisija (ø): 48 mm
- Jalustan halkaisija: ø98 mm
- Jalustan paksuus: 8 mm
- Asennusreikien jako (PCD): 76 mm
- Asennusreikien lukumäärä: 4 × ø11 mm
- Lasin asennussyvyys: 72 mm (jalustan alareunasta uran pohjaan)
- Lasin paksuusalue: 12–17,52 mm
- Suositellut ruuvit: DIN 7991, kierre M8

Pakkaukseen kuuluvat tiivisteet
Kiinnikkeen mukana toimitetaan kaksi kumitiivistettä (välilevyä), jotka asetetaan lasilevyn molemmille puolille puristusuraan. Tiivisteet vaimentavat leukojen paineen lasiin, estävät sen halkeamisen ja poistavat välykset. Universaalin profiilinsa ansiosta kiinnike sopii lasille, jonka paksuus on 12 mm (yksittäinen karkaistu) aina 17,52 mm:iin (laminoitu VSG) asti. Tämä mahdollistaa kiinnikkeen käytön sekä sisä- että ulkokaidejärjestelmissä.
Tekniset tiedot
| Lasin paksuus [mm] | 12-17,52 |
| Materiaali | AISI 304 |
| Pintakäsittely | Satiini |
| Asennusjärjestelmä | 48,3 mm |
Turvallisuus
Kaikki arvostelut (positiiviset ja negatiiviset) näytetään alustan numerorajoituksen mukaisesti. Varmistamme, että ne ovat peräisin asiakkailta, jotka ovat ostaneet tuotteen. Katso lisää kommenttikäytännöt -sivultamme.