Sarana 180° lasikiinnitykseen 45 x 45 x 26 mm AISI304, satiini
tuote ei saatavilla
lisää toivelistalle
Kuvaus
Sarana 180° lasikiinnitykseen AISI 304 – 45×45×26 mm, satiini
Sarana 180° lasikiinnitykseen ruostumattomasta teräksestä AISI 304 satiinipinnalla — tarkka liitinelementti lasikaidejärjestelmiin, jotka asennetaan 42,4 mm läpimitaltaan oleville putkille. Täyden pyörimiskulman 180° (2 × 90°) ansiosta mahdollistaa lasipaneelien kulman sujuvan säädön, mikä helpottaa huomattavasti asennusta epätyypillisille rakennemuodoille.

Vankka rakenne ja korroosionkestävyys
Sarana on valmistettu ruostumattomasta teräksestä AISI 304, joka takaa korkean mekaanisen lujuuden sekä erinomaisen korroosionkestävyyden — myös kohonneessa kosteudessa, kuten uima-altailla, terasseilla tai parvekkeilla. Satiinipinta peittää tehokkaasti sormenjäljet ja pienlikaantumisen, säilyttäen elegantin, modernin ulkonäön koko käyttöiän ajan.
Asennus toteutetaan ruuvaamalla (kierre M8), mikä varmistaa liitoksen suuren lujuuden ja mahdollistaa samalla helpon purkamisen ilman erikoistyökaluja. Tämä on tärkeä etu asennusryhmille, jotka voivat nopeasti korjata lasipaneelien asentoa asennusvaiheessa.
Tekniset tiedot
- Materiaali: ruostumaton teräs AISI 304
- Pinta: satiini
- Avauskulma: 180° (2 × 90°)
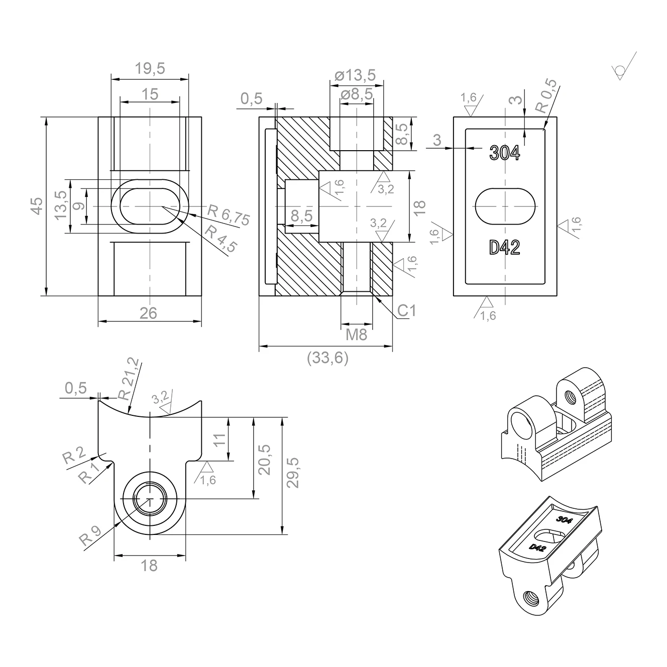
- Putken halkaisija: 42,4 mm (R 21,2 mm)
- Lasin paksuus: 6 mmsta 10,76 mmiin
- Pohjan mitat (L × K × S): 45 × 45 × 26 mm
- Kääntösilmukan mitat (L × K × S): 24,5 × 18 × 15 mm
- Kokoonpanon syvyys (viitemtta): n. 40,1 mm
- Asennuskierre: M8
- Tappiaukon halkaisija: ø8,2 / ø8,5 mm
- Ruuvinkannan upotuksen halkaisija: ø13,5 mm
- Papumainen aukko pohjassa: 13,5 × 9 mm
- Viisteet: 2×C0,5 silmukassa, C1 kierreaukoissa
- Pinnan karheus: Ra 1,6 / Ra 3,2
- Paino: 0,16 kg
- EAN: 5903313205153

Käyttö ja yhteensopivuus
Sarana on tarkoitettu käytettäväksi lasikiinnitysten kanssa, joiden paksuus on 6-10,76 mm, mikä kattaa sekä yksittäiset karkaistut taulut että laminoidun VSG-lasin. Kiinnitettynä 42,4 mm läpimitan putkiin se soveltuu erinomaisesti lasikaidejärjestelmiin, käsijohteisiin ja arkkitehtonisiin lasirakenteisiin. Pohjan papumainen aukko mahdollistaa asennussijainnin tarkan säädön.
Mittopiirustukset



Tekniset tiedot
| Materiaali | AISI 304 |
| Pintakäsittely | Satiini |
Turvallisuus
Kaikki arvostelut (positiiviset ja negatiiviset) näytetään alustan numerorajoituksen mukaisesti. Varmistamme, että ne ovat peräisin asiakkailta, jotka ovat ostaneet tuotteen. Katso lisää kommenttikäytännöt -sivultamme.